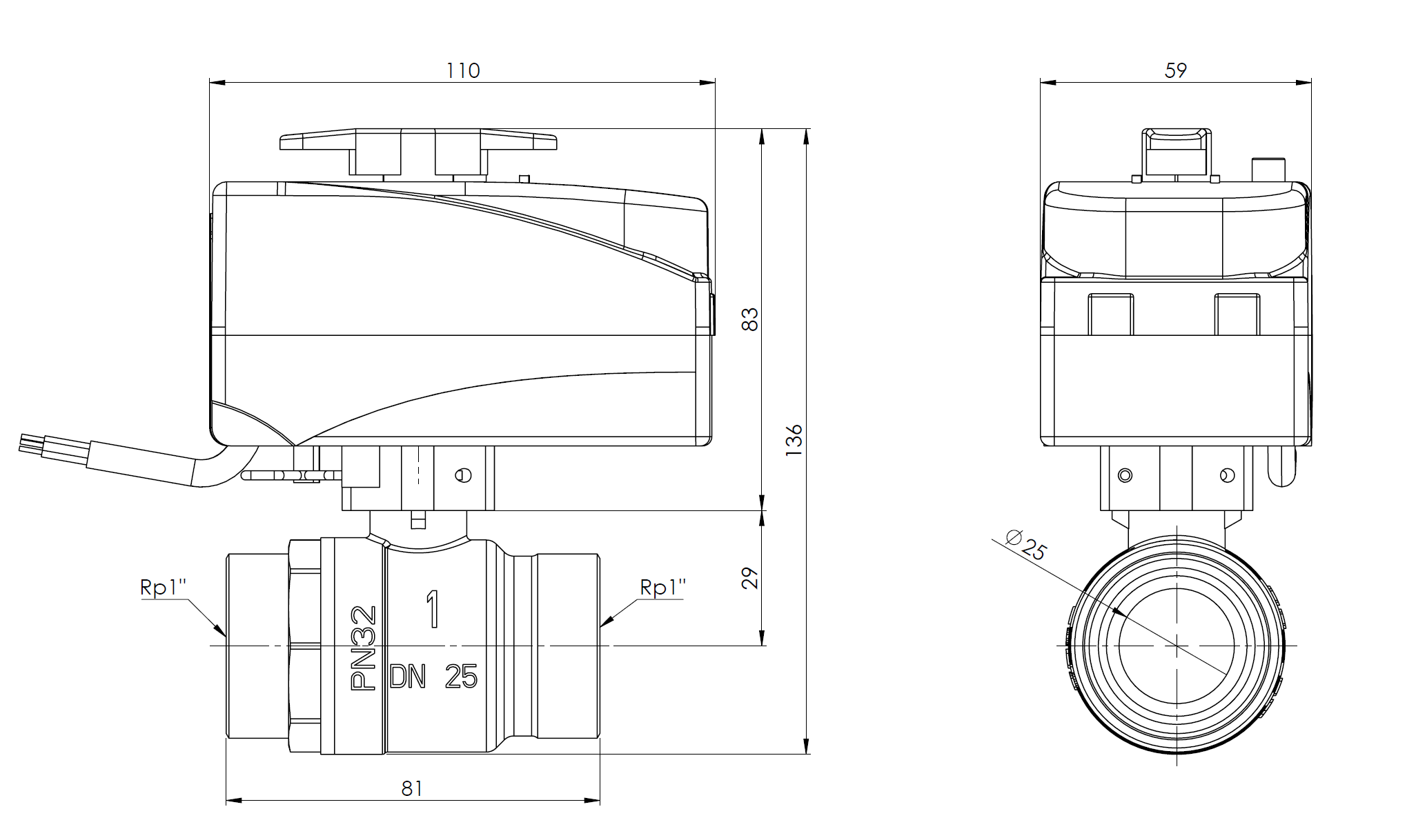
Zawór wodny AFRISO BEV 24 V AC GW 1'' x GW 1''
Siłownik sterowany sygnałem 2-punktowym (SPST) z możliwością pracy ręcznej.
Montaż urządzenia dozwolony w różnych pozycjach.
Automatyczna zmiana kierunku obrotu przy wykryciu oporu podczas obracania.
Przewód zasilający 3-żyłowy o długości 1,0 m.
Zastosowanie
Stosowane w instalacjach grzewczych, chłodzących i c.w.u.Zamykają lub otwierają przepływ przez daną część instalacji lub konkretny odbiornik ciepła.
W połączeniu z termostatem automatyzują pracę instalacji.
Zastosowanie
Stosowane w instalacjach grzewczych, chłodzących i c.w.u.Zamykają lub otwierają przepływ przez daną część instalacji lub konkretny odbiornik ciepła.
W połączeniu z termostatem automatyzują pracę instalacji.
Filmy
Dane techniczne
Nominalna średnica wewnętrzna odpływu
1''
Rodzaj połączenia odpływu
Gwint wewnętrzny
Rodzaj połączenia zasilającego
Gwint wewnętrzny
Rozmiar połączenia zasilającego
1''









