Moduł techniczny studzienki przeciwzalewowej z urządzeniem Controlfix z zamkniętą kinetą przelotową DN150
KESSEL Mod tech stud. przeciw Controlfix, ścieki fekalne, odpływ DN 150 mm, zabudowa w ziemi, liczba dopływów, dopływ DN 150 mm
- Komfort: droga przestrzeń mieszkalna lub użyteczna nie zostaje pomniejszona
- Urządzenie nie hałasuje, w budynku nie ma nieprzyjemnych zapachów ani brudu
- Łatwa zabudowa dzięki lekkim łączonym modułom studzienki technicznej i zmiennym nasadom umożliwiającym dopasowanie do poziomu podłogi
Mod tech stud. przeciw Controlfix DN 150, Zamknięta kineta przelotowa
Moduł techniczny studzienki przeciwzalewowej jest wyposażony w zintegrowaną rurę do czyszczenia Controlfix i stopień złazowy. Modułowy system elementów łączonych KESSEL pozwala na bezproblemowe przezbrojenie rury do czyszczenia na zawór przeciwzalewowy klasy premium Staufix SWA, Staufix FKA lub zawór przeciwzalewowy z pompą Pumpfix F.
Wersja
- System studzienek: studzienka modułowa
Cechy ogólne
- Kolor: czarny
- Materiał: PE-HD
- Typ ścieków: Ścieki zawierające fekalia
- Sposób zabudowy: zabudowa w ziemi
- Stan w momencie dostawy: gotowy do instalacji (części łączące do podłączenia w miejscu instalacji)
- Aprobata: Z-42.1-527
Wymiary
- Ciężar netto: 64 kg
- Ciężar brutto: 82 kg
- Odporność na wodę gruntową od dolnej krawędzi dna: 3000 mm
- Spadek: 9 mm
- Szerokość: 1200 mm
- Wysokość: 520 mm
- Wymiar opakowania: dł.: 1300 mm
- Wymiar opakowania: szer.: 1300 mm
- Wymiar opakowania: wys.: 723 mm
Zbiornik/korpus
- Koryto: Kineta przelotowa
- Szerokość kontenera max.: 1390 mm
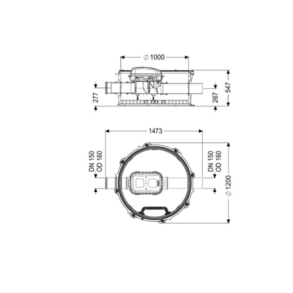
- Odstęp między środkiem rury odpływowej a dnem zbiornika: 267 mm
- Odstęp między środkiem rury dopływowej a dnem zbiornika: 277 mm
- Liczba odpływów: 1
- Wielkość nominalna odpływu (DN): 150 mm
- Wielkość nominalna dopływu (DN): 150 mm
- Liczba dopływów: 1
- Szerokość w świetle zbiornika urządzenia (LW): 1000 mm







