Instalatorze, możesz zamówić kotły Vaillant ecoTEC pro za punkty PIK!
 

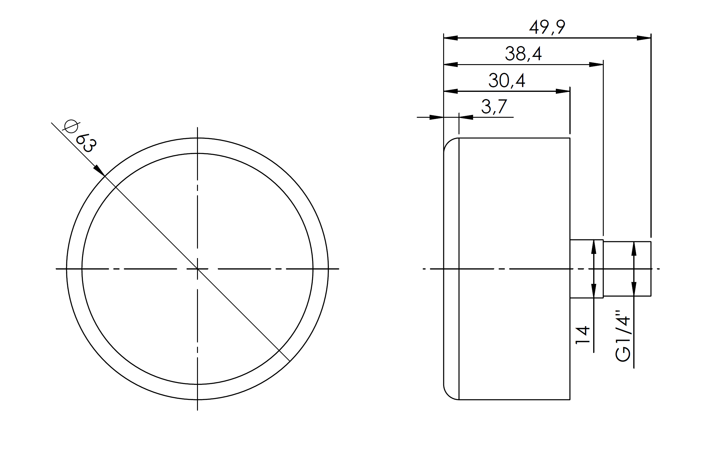
Manometr z rurką Bourdona AFRISO RF grzewczy 0/2,5 bar G1/4B aksjalne fi 63 mm, kl. 2.5%

Przeznaczony do pomiaru ciśnienia w dowolnych miejscach w instalacji.
Przeznaczony do gazów i cieczy nielepkich, niekrystalizujących, które nie działają niszcząco na stopy miedzi.

Zastosowanie

Przyrząd uniwersalny do instalacji grzewczych i chłodzących.

Filmy

Dane techniczne

Klasa dokładności wg EN

2.5%

Miejsce połączenia

aksjalne

Rozmiar przyłącza procesowego

G1/4B

Zakres skali (w barach)

0/2,5

Średnica obudowy [mm]

63

Wydarzenia - AFRISO