Instalatorze, możesz zamówić kotły Vaillant ecoTEC pro za punkty PIK!
 

Manometr z rurką Bourdona AFRISO RF grzewczy 0/16 bar G1/4B aksjalne fi 63 mm, kl. 2.5%

Kod IK

8063540

Kod EAN

5907516805295

Kod producenta

63540

Marka

AFRISO

Model

RF grzewczy

Cena katalogowa netto

6,15 EUR / szt.

Cena katalogowa brutto

7,56 EUR / szt.

Przeznaczony do pomiaru ciśnienia w dowolnych miejscach w instalacji.
Przeznaczony do gazów i cieczy nielepkich, niekrystalizujących, które nie działają niszcząco na stopy miedzi.

Zastosowanie

Przyrząd uniwersalny do instalacji grzewczych i chłodzących.

Filmy

Dane techniczne

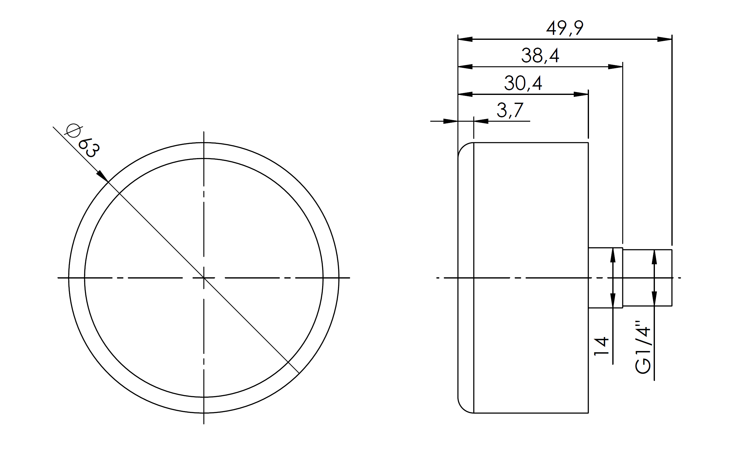
Klasa dokładności wg EN

2.5%

Miejsce połączenia

aksjalne

Rozmiar przyłącza procesowego

G1/4B

Zakres skali (w barach)

0/16

Średnica obudowy [mm]

63

Wydarzenia - AFRISO