Instalatorze, możesz zamówić kotły Vaillant ecoTEC pro za punkty PIK!
 

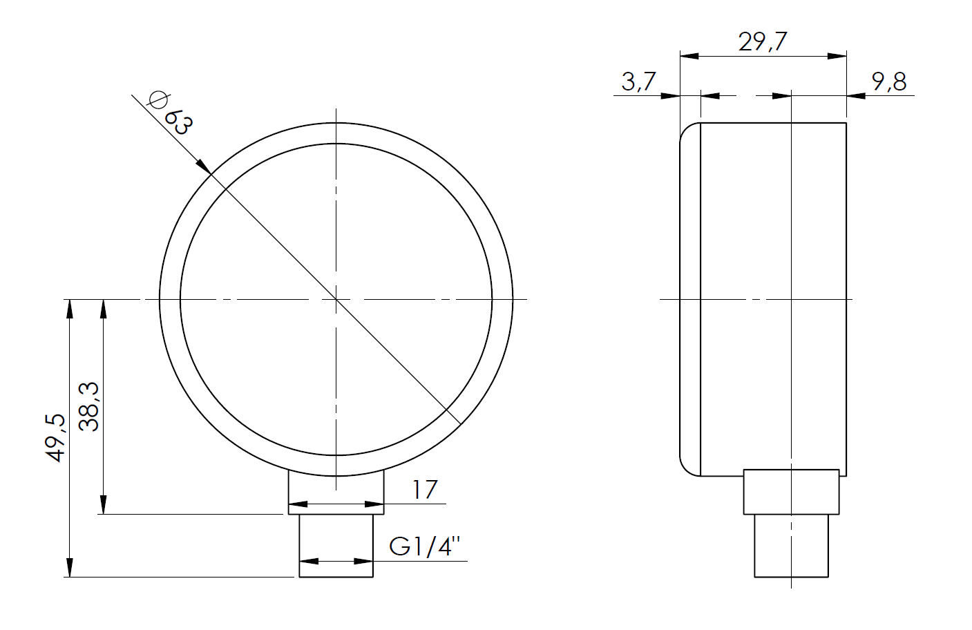
Manometr z rurką Bourdona AFRISO HZ grzewczy 0/4 bar G3/8B radialne fi 63 mm, kl. 2.5%

Kod IK

8063910

Kod EAN

4016203639103

Kod producenta

63910

Marka

AFRISO

Model

HZ grzewczy

Cena katalogowa netto

7,75 EUR / szt.

Cena katalogowa brutto

9,53 EUR / szt.

Przeznaczony do pomiaru ciśnienia w dowolnych miejscach w instalacji grzewczej.
Przeznaczony do gazów i cieczy nielepkich, niekrystalizujących, które nie działają niszcząco na stopy miedzi.

Zastosowanie

Przyrząd do zamkniętych instalacji grzewczych o Pmax 3 bar.
Zielony obszar na tarczy wskazuje optymalny zakres ciśnienia.

Filmy

Dane techniczne

Klasa dokładności wg EN

2.5%

Miejsce połączenia

radialne

Rozmiar przyłącza procesowego

G3/8B

Zakres skali (w barach)

0/4

Średnica obudowy [mm]

63

Wydarzenia - AFRISO