Instalatorze, możesz zamówić kotły Vaillant ecoTEC pro za punkty PIK!
 

Manometr z rurką Bourdona AFRISO HZ grzewczy 0/4 bar G1/4B aksjalne fi 80 mm, kl. 2.5%

Kod IK

8063919

Kod EAN

4016203639196

Kod producenta

63919

Marka

AFRISO

Model

HZ grzewczy

Cena katalogowa netto

15,95 EUR / szt.

Cena katalogowa brutto

19,62 EUR / szt.

Przeznaczony do pomiaru ciśnienia w dowolnych miejscach w instalacji grzewczej. Przeznaczony do gazów i cieczy nielepkich, niekrystalizujących, które nie działają niszcząco na stopy miedzi.

Zastosowanie

Przyrząd do zamkniętych instalacji grzewczych o Pmax 3 bar. Zielony obszar na tarczy wskazuje optymalny zakres ciśnienia.

Filmy

Dane techniczne

Klasa dokładności wg EN

2.5%

Miejsce połączenia

aksjalne

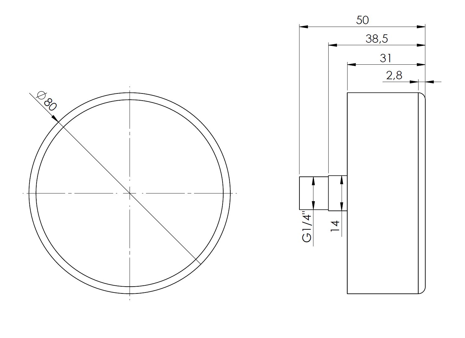
Rozmiar przyłącza procesowego

G1/4B

Zakres skali (w barach)

0/4

Średnica obudowy [mm]

80

Wydarzenia - AFRISO