Instalatorze, możesz zamówić kotły Vaillant ecoTEC pro za punkty PIK!
 

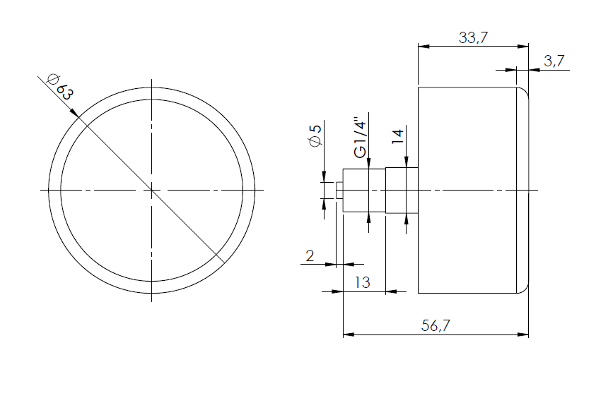
Ciśnieniomierz różnicowy AFRISO KP D211 0/25 mbar mosiądz G1/4B aksjalne fi 63, kl. 1.6%

Kod IK

8035016211

Kod EAN

4049827002206

Kod producenta

35016211

Marka

AFRISO

Model

KP D211

Cena katalogowa netto

Na zapytanie

Przeznaczony do pomiaru ciśnień gazów suchych, które nie działają niszcząco na stopy miedzi.

Filmy

Dane techniczne

Klasa dokładności wg EN

1.6%

Materiał przyłącza procesowego

Mosiądz

Miejsce połączenia

aksjalne

Rozmiar przyłącza procesowego

G1/4B

Zakres skali (w barach)

0/25 mbar

Średnica obudowy

63

Wydarzenia - AFRISO