Instalatorze, możesz zamówić kotły Vaillant ecoTEC pro za punkty PIK!
 

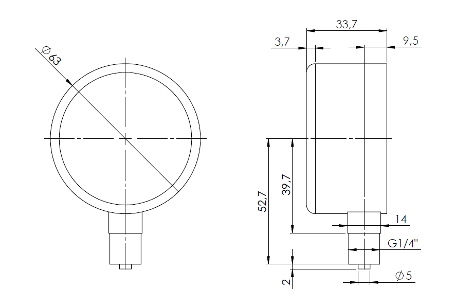
Ciśnieniomierz różnicowy AFRISO KP D201 -160/0 mbar mosiądz G1/4B radialne fi 63, kl. 1.6%

Kod IK

8035008201

Kod EAN

4049827001445

Kod producenta

35008201

Marka

AFRISO

Model

KP D201

Cena katalogowa netto

Na zapytanie

Przeznaczony do pomiaru ciśnień gazów suchych, które nie działają niszcząco na stopy miedzi.

Filmy

Dane techniczne

Klasa dokładności wg EN

1.6%

Materiał przyłącza procesowego

Mosiądz

Miejsce połączenia

radialne

Rozmiar przyłącza procesowego

G1/4B

Zakres skali (w barach)

-160/0 mbar

Średnica obudowy

63

Wydarzenia - AFRISO