Instalatorze, możesz zamówić kotły Vaillant ecoTEC pro za punkty PIK!
 

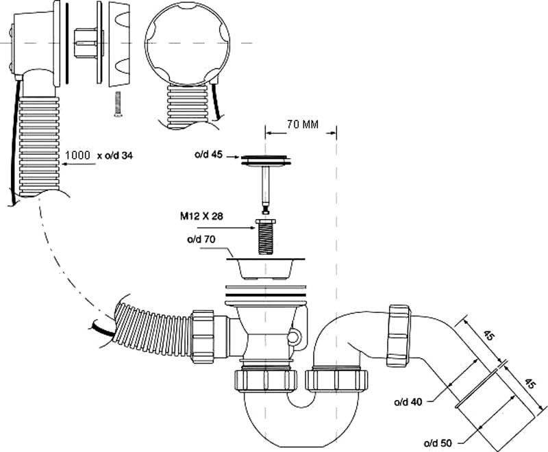
Zestaw odpływowo-przelewowy wannowy z odejściem 40/50mm,z mechanizmem autom.1000mm pokrętło ABS BIAŁY

Kod IK

CEHC31M-WH-1M

Kod EAN

5036484057976

Kod producenta

HC31M-WH-1M

Marka

MCALPINE

Model

Brak modelu

Cena katalogowa netto

138,47 zł / szt.

Cena katalogowa brutto

170,32 zł / szt.

Zestaw odpływowo-przelewowy w kolorze białym do wanny i głębokiego brodzika z pokrętłem i korkiem umożliwiającym zamknięcie i otwarcie odpływu. Pokrętło wykonane z ABS. Odejście 1.1/2″x40/50mm. Inne dostępne kolory: HC31M-S1-1M – chrom

Dane logistyczne

Opakowanie zbiorcze 1

Jednostka zbiorcza opak.

opak

Ilość

25

Masa brutto [kg]

17,81

Długość [m]

0,48

Szerokość [m]

0,58

Wysokość [m]

0,58