Zestaw kolan przyłączeniowych Geberit 90' z przedłużką: d=110mm
Dane techniczne
-
MateriałPE-HD
Zastosowanie
- Do kanalizacji wewnątrz konstrukcji budowli
- Do kanalizacji zewnętrznej
Właściwości
- Po obu stronach połączenie za pomocą elektromufy
- Odporny na promieniowanie UV
Dane techniczne
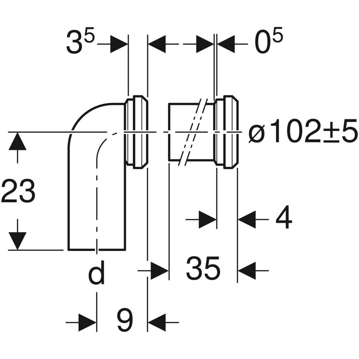
Kąt [°]
90
Liczba dodatkowych przyłączy
0
Średnica zewnętrzna przyłącza wc [mm]
97 … 107
Do pobrania
Dane logistyczne
Opakowanie zbiorcze 1
Jednostka zbiorcza opak.
rolka
Ilość
10
Masa brutto [kg]
14,6
Długość [m]
0,795
Szerokość [m]
0,535
Wysokość [m]
0,41
Opakowanie zbiorcze 2
Jednostka zbiorcza opak.
paleta
Ilość
40
Masa brutto [kg]
80,4
Długość [m]
1,2
Szerokość [m]
0,8
Wysokość [m]
0,97







