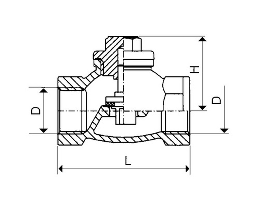
Zawór zwrotny KFA Armatura 1 1/2'' gw PN 16
Wydłużony do 15 lat okres gwarancyjny w połączeniu z usługą serwisu 48h to pewność, że na naszych zaworach wodnych można polegać. Dodatkowo gwarantujemy 5 lat niezawodnego działania naszych zaworów gazowych oraz żeliwnych. Zawory KFA Armatura charakteryzują się najwyższą klasą uszczelnienia. Gwarantują pewność wykonanej instalacji i jej maksymalnie bezpieczne użytkowanie. Płynność pracy zaworów zapewniona jest przez wysokiej jakości uszczelki teflonowe w zaworach wodnych, dwie gumowe uszczelki znajdujące się w trzpieniu oraz dwa niezależne teflonowe oringi w kuli zaworów gazowych, a uszczelnienie NBR w zaworach żeliwnych sprawia, że są one w stanie wytrzymać wysokie bardzo ciśnienie robocze. Wybierz zawory KFA Armatura do każdego typu instalacji!
Dane techniczne
Klasa ciśnienia kołnierza
PN 16
Klasa ciśnienia urządzenia
PN 16
Materiał korpusu
Żeliwo
Materiał obudowy
Żeliwo
Model
Prosty
Nominalna średnica wewnętrzna
1 1/2''
Rodzaj połączeń
GW
Zabezpieczenie powierzchni
Stan surowy
Dane logistyczne
Opakowanie zbiorcze 1
Jednostka zbiorcza opak.
opak
Masa brutto [kg]
1,44
Długość [m]
0,15
Szerokość [m]
0,1
Wysokość [m]
0,07








