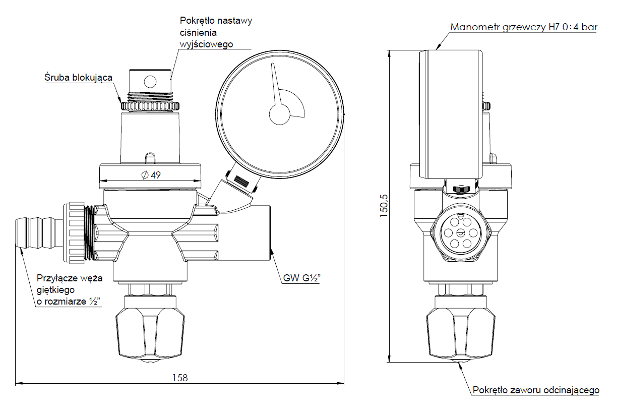
Zawór spustowo-napełniający AFRISO FAM 10 bar, max. 90'C GW x przyłącze do węża, 1/2'' x 1/2'', z manometrem
Składa się z reduktora ciśnienia, zaworu zwrotnego, zaworu odcinającego i przyłącza do węża giętkiego.
Zawór FAM posiada wbudowany manometr Ø63 mm 0÷4 bar.
Zawór FA umożliwia automatyczne napełnienie instalacji grzewczej do ustawionego na zaworze ciśnienia.
Zastosowanie
Stosowana w zamkniętych i otwartych instalacjach grzewczych.Służy do automatycznego napełniania instalacji.
Montowany w najniższym punkcie instalacji.
Filmy
Dane techniczne
Maksymalna temperatura medium [°C]
90
Maksymalne ciśnienie robocze przy 20°C [bar]
10
Połączenie 1
Gwint wewnętrzny
Połączenie 2
Przyłącze do węża
Ze wskaźnikiem ciśnienia / manometrem
Tak
Znamionowa średnica wewnętrzna połączenia 1
1/2''
Znamionowa średnica wewnętrzna połączenia 2
1/2''









