TECEdrainline - Kolano odpływowe
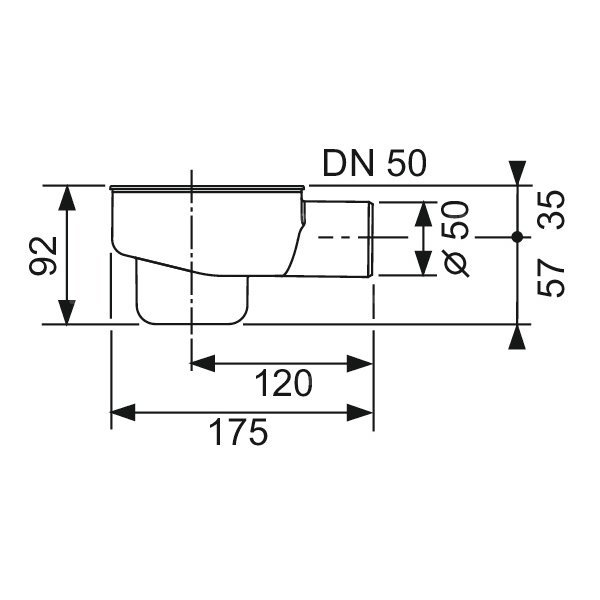
TECEdrainline kolano odpływowe "standard", DN 50, wylot boczny
Kolano odpływowe do rynny prysznicowej TECEdrainline do montażu na korpusie rynny, odpływ obrotowy 360°, do przyłączania bocznego do przewodu kanalizacyjnego DN 50, z wyjmowaną rurką spiętrzającą syfonu.
- Wysokość montażowa od dolnej krawędzi odpływu do górnej krawędzi rynny prysznicowej = 120 mm
- Wysokość wody stojącej = 50 mm, zgodnie z PN-EN 1253
Wydajność odpływowa wg PN-EN 1253, przy spiętrzeniu 10/20 mm nad rusztem:
- ruszt ozdobny "basic": 0,8/0,9 l/s
- ruszt ozdobny "steel II": 0,7/0,8 l/s
- ruszt pod płytki "plate"/"plate II": 0,7/0,8 l/s
.webp) 
     




 
              
             


 
                                                                 
                                                                 
                                                                 
  
  
  
                                                