Kupuj, montuj i zgarniaj punkty! Sprawdź aktualne akcje w Programie PIK!
 

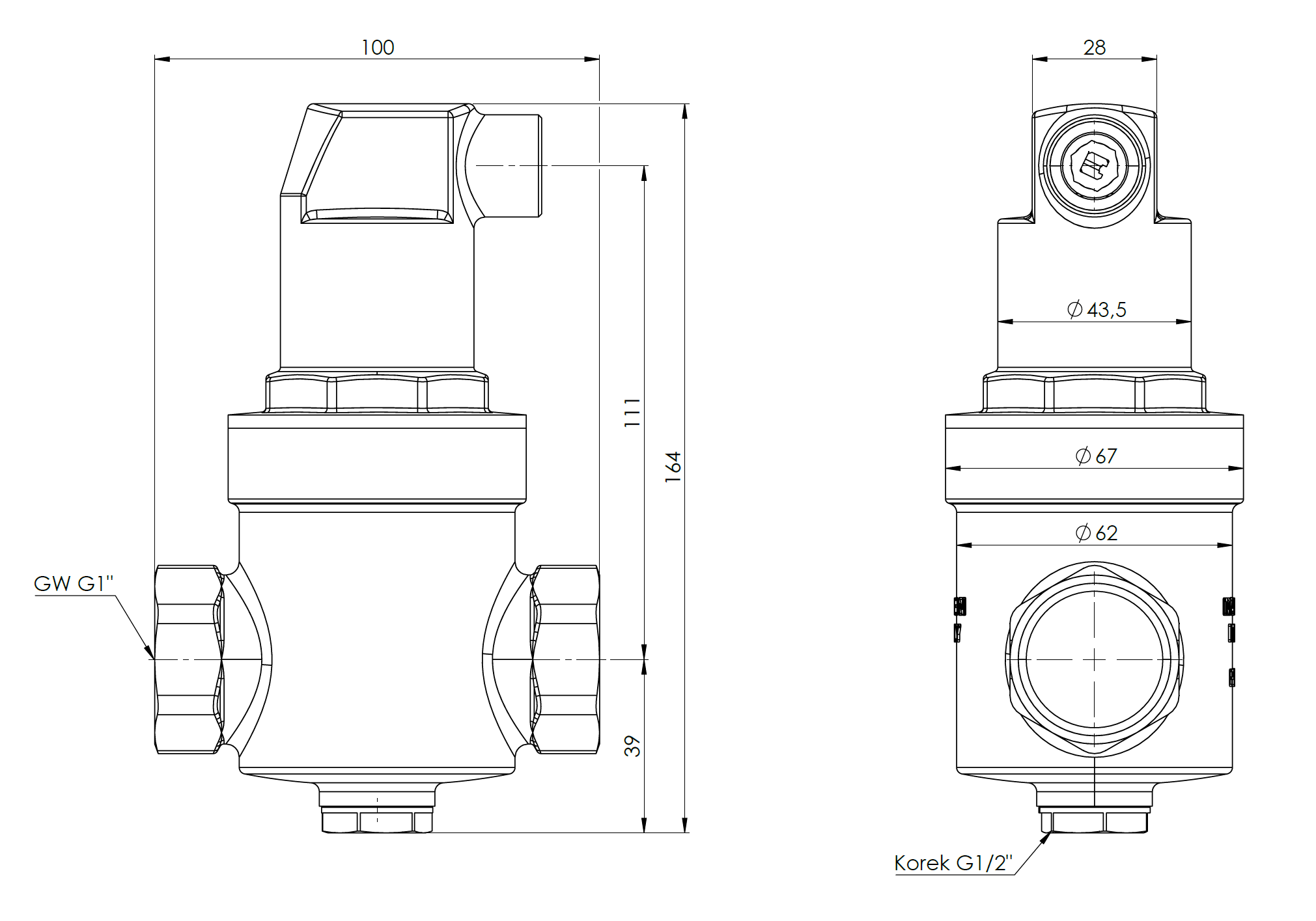
Separator powietrza AAS 280, z odpowietrznikiem automatycznym, przyłącze stałe GW G1''

Kod IK

807728000

Kod EAN

5902510011178

Kod producenta

7728000

Marka

AFRISO

Model

Brak modelu

Cena katalogowa netto

120 EUR / szt.

Cena katalogowa brutto

147,60 EUR / szt.

Wykonany z mosiądzu oraz poliamidu,
Łatwy proces konserwacji.

Zastosowanie

Stosowany w instalacjach centralnego ogrzewania i chłodniczych.
Montowany w miejscu, w którym medium osiąga najwyższą temperaturę.
Sprzyja uwalnianiu mikropęcherzyków gazu z cieczy.
Odpowietrza automatycznie ze zgromadzonego powietrza.

Wydarzenia - AFRISO