Separator AFRISO ADS 110, do C.O., 3 bar / 90'C, 3/4'' (GW), z wkładem magnesowymInstalacje i źródła ciepła
Wyposażony w siatkę i magnes neodymowy.
Przeźroczysty osadnik pozwala łatwo kontrolować stopień zanieczyszczenia separatora.
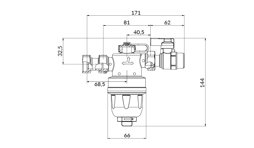
Trzy przyłącza pozwalają na pionowy, poziomy oraz kątowy montaż separatora. Kompaktowe rozmiary umożliwiają bezpośredni montaż pod wiszącym źródłem ciepła.
Zastosowanie
Stosowany w instalacjach grzewczych i chłodzących.Montowany przed źródłem ciepła na powrocie z instalacji.
Podwójny, mechaniczny i magnetyczny system filtracji chroni instalację przed zanieczyszczeniami.
Filmy
Dane techniczne
Do instalacji grzewczych
Tak
Maks. ciśnienie robocze [bar]
3
Maksymalna temperatura medium [°C]
90
Nominalna średnica wewnętrzna
3/4''
Obszar zastosowania
Instalacje i źródła ciepła
Rodzaj połączenia
Gwint wewnętrzny
Z magnesem
Tak









