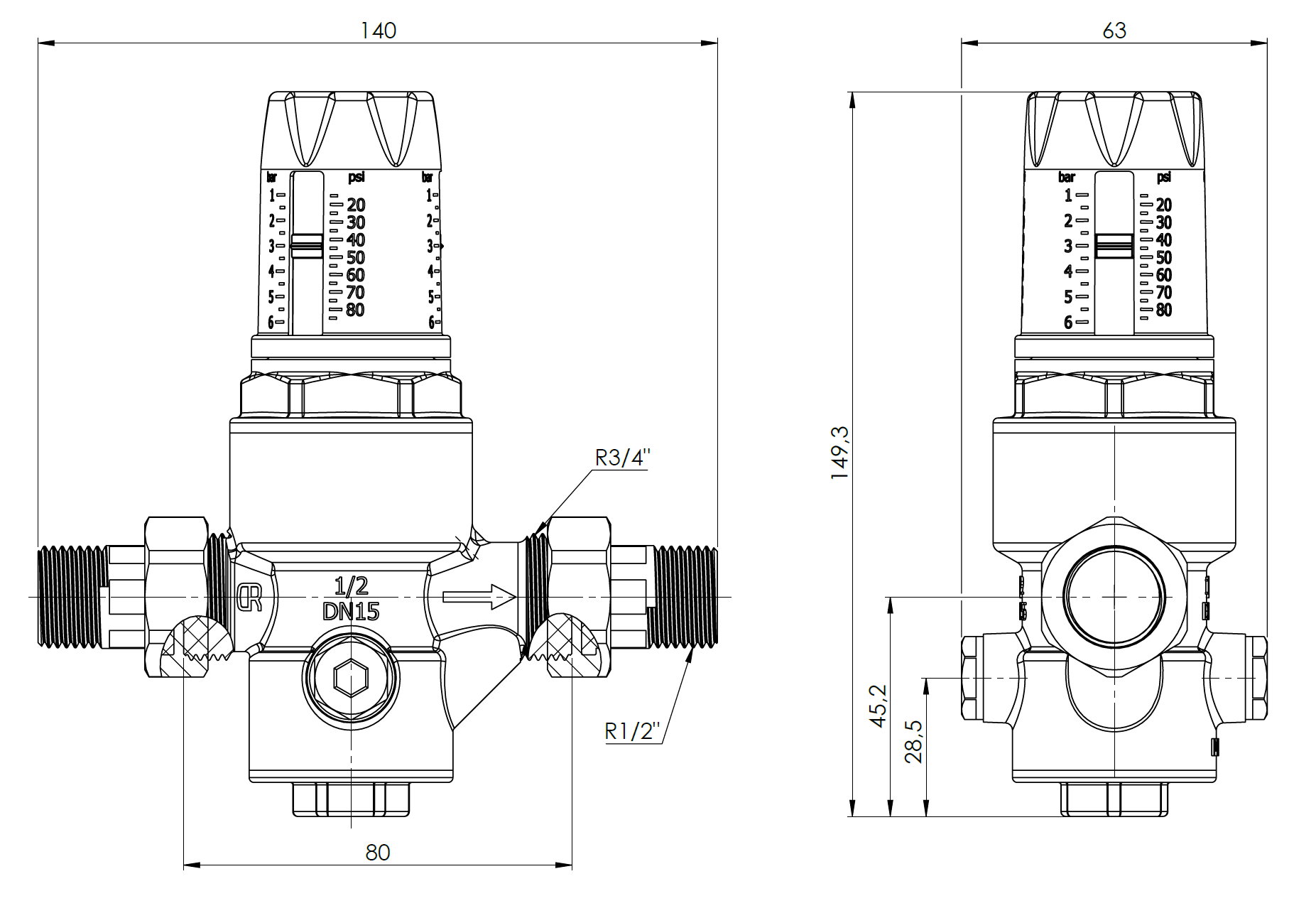
Reduktor ciśnienia wody BPR 421 z siatką filtracyjną, półśrubunki R1/2'', 1 ÷ 6 bar
Wbudowany filtr siatkowy o średnicy oczek 500 μm chroni reduktor przed zanieczyszczeniami.
Zintegrowana skala na pokrętle przedstawia aktualnie ustawione ciśnienie.
Półśrubunki ułatwiają montaż oraz ewentualny demontaż.
Reduktor fabrycznie ustawiony na ciśnienie wylotowe 3 bar.
Opcjonalny manometr wskazuje ciśnienie za reduktorem i umożliwia kontrolę jego pracy.
Zastosowanie
Stosowany w instalacjach wody pitnej, grzewczych i chłodzących.Montowany na przyłączu wodociągowym za licznikiem wody lub w innym miejscu, gdzie wymagane jest obniżenie ciśnienia.
Obniża i stabilizuje ciśnienie wody do ustawionej wartości niezależnie od zmian ciśnienia na wlocie do reduktora.
Zastosowanie
Stosowany w instalacjach wody pitnej, grzewczych i chłodzących.Montowany na przyłączu wodociągowym za licznikiem wody lub w innym miejscu, gdzie wymagane jest obniżenie ciśnienia.
Obniża i stabilizuje ciśnienie wody do ustawionej wartości niezależnie od zmian ciśnienia na wlocie do reduktora.









