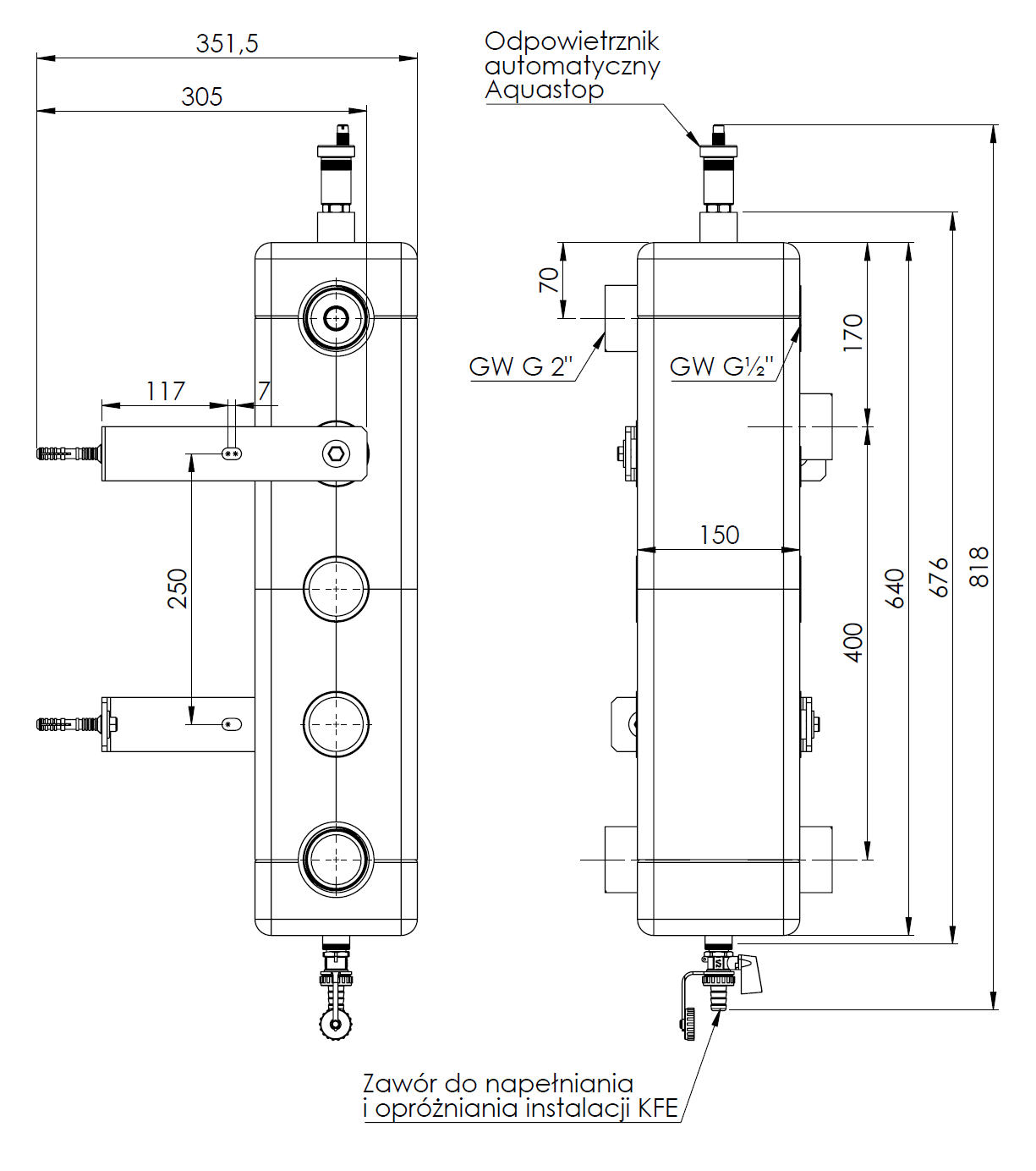
Pionowe sprzęgło hydrauliczne HW, do rozdzielaczy KSV 125 do 160 kW
Przyłącze GW G1/2’’ z boku sprzęgła, przeznaczone do montażu tulei zanurzeniowej czujnika temperatury.
Izolacja termiczna.
Zastosowanie
Stosowane w instalacjach grzewczych i chłodzących.Montowane między rozdzielaczem KSV 125 albo osobno, pomiędzy źródłem ciepła/chłodu a instalacją odbiorczą.
Uniezależnia hydraulicznie obieg źródła ciepła/chłodu od obiegu/obiegów instalacji odbiorczej.
Umożliwia odpowietrzenie instalacji i usunięcie zanieczyszczeń wytrąconych z medium.
Zastosowanie
Stosowane w instalacjach grzewczych i chłodzących.Montowane między rozdzielaczem KSV 125 albo osobno, pomiędzy źródłem ciepła/chłodu a instalacją odbiorczą.
Uniezależnia hydraulicznie obieg źródła ciepła/chłodu od obiegu/obiegów instalacji odbiorczej.
Umożliwia odpowietrzenie instalacji i usunięcie zanieczyszczeń wytrąconych z medium.









