Kupuj, montuj i zgarniaj punkty! Sprawdź aktualne akcje w Programie PIK!
 

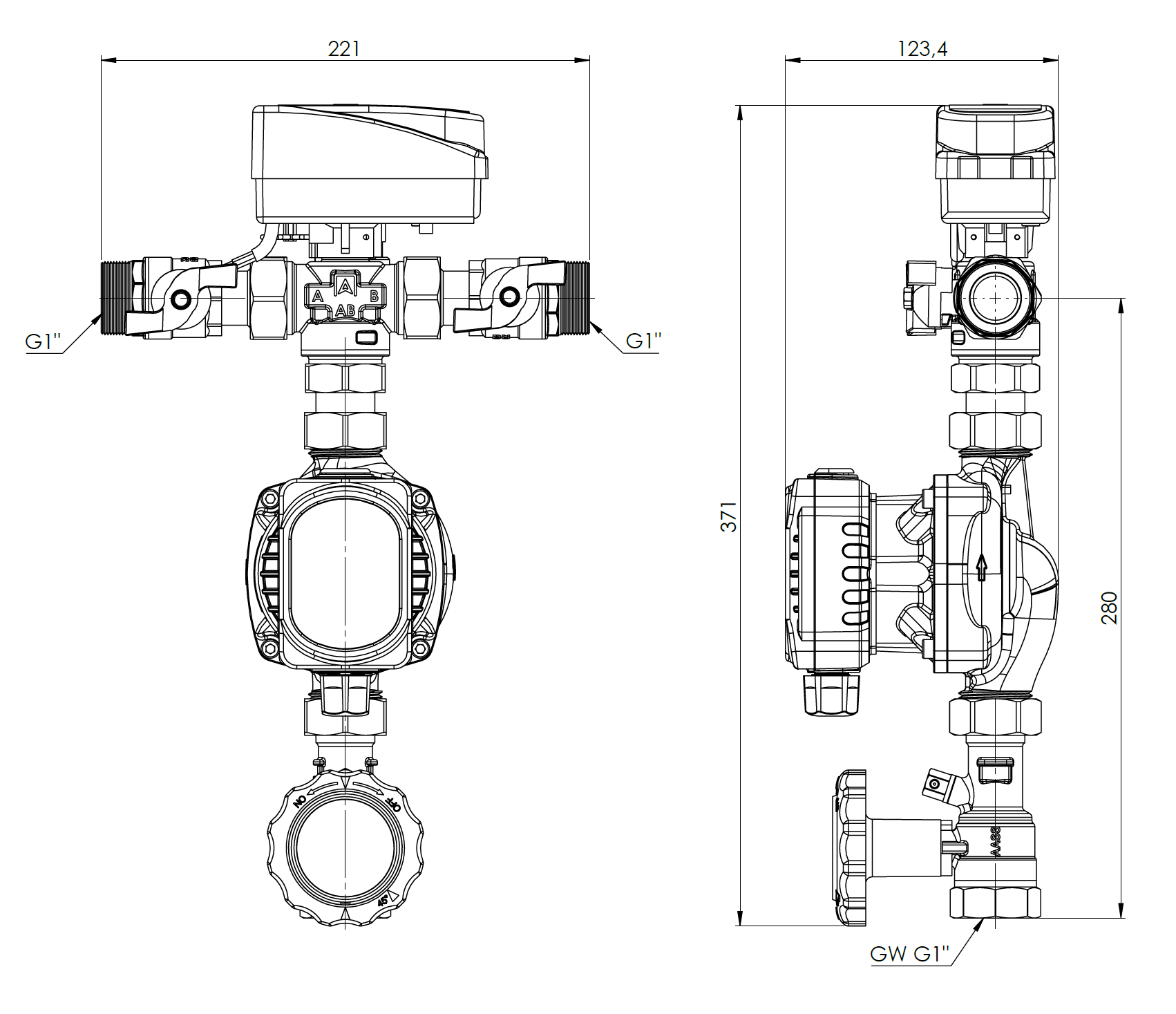
Moduł przełączający BDU 571 AP do pomp ciepła z zaworem AZV 643, pompa APH 160

Kod IK

809057100

Kod EAN

5902510010775

Kod producenta

9057100

Marka

AFRISO

Model

Brak modelu

Cena katalogowa netto

395 EUR / szt.

Cena katalogowa brutto

485,85 EUR / szt.

Wyposażony w 3-drogowy zawór strefowy AZV 643 oraz pompę obiegową APH 160.
Tuleja do montażu czujnika temperatury.
Termometr wbudowany w pokrętło zaworu odcinającego kontroluje temperaturę medium.
Zawory odcinające na każdym przyłączu umożliwiają odcięcie pompy oraz zaworu strefowego od reszty instalacji.

Zastosowanie

Stosowany w instalacjach grzewczych.
Montowany między źródłem ciepła a dwoma częściami instalacji np.: zasobnikiem ciepłej wody użytkowej oraz buforem ciepła.
Pompuje czynnik grzewczy oraz przełącza przepływ pomiędzy dwoma częściami instalacji po otrzymaniu odpowiedniego sygnału sterującego.

Filmy

Wydarzenia - AFRISO