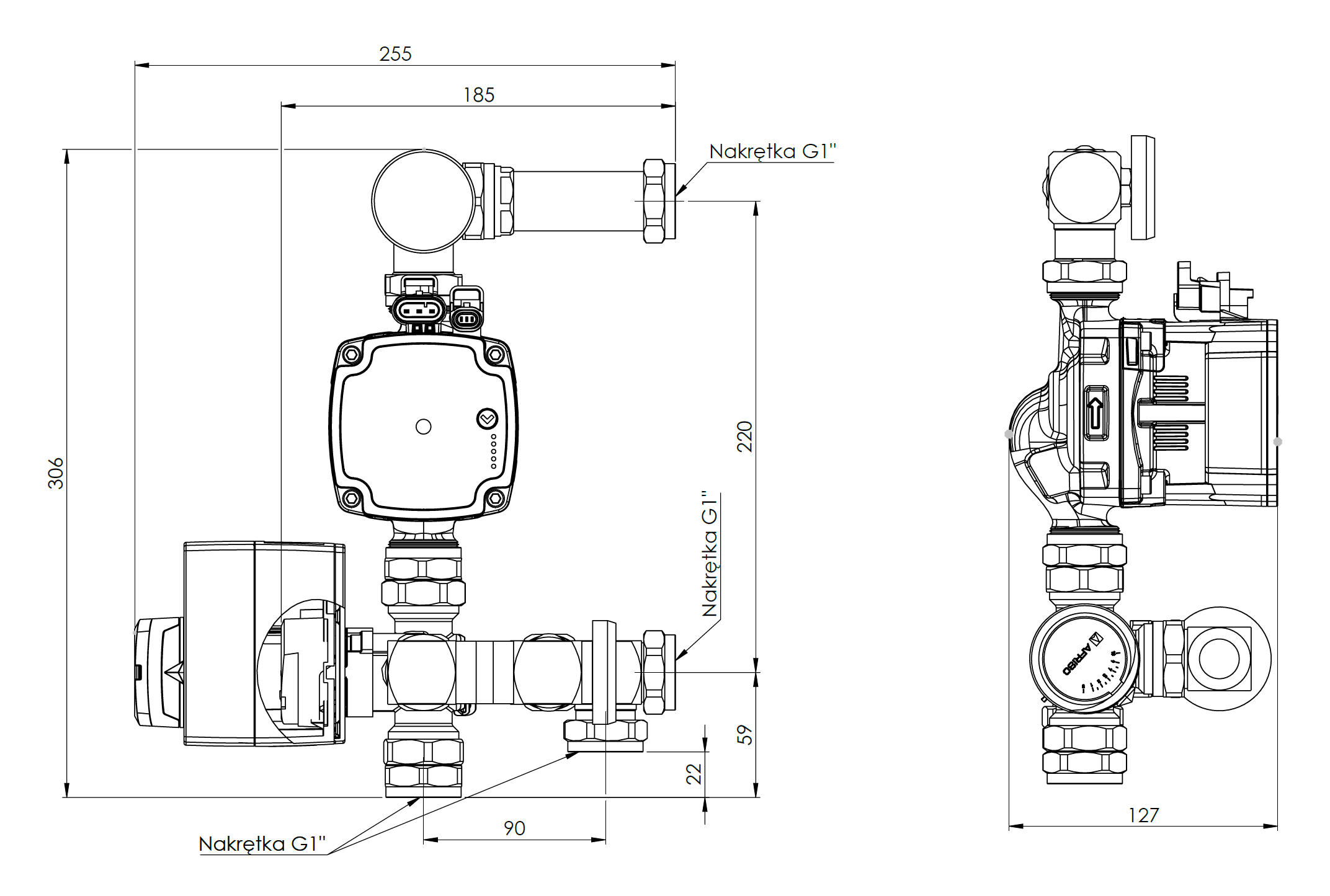
Moduł mieszający BRU 551 do ogrzewania podłogowego z zaworem ARV 362 Vario ProClick
Pompa obiegowa Grundfos UPM3 Auto.
Termometry na zasilaniu i powrocie z rozdzielacza kontrolują temperaturę medium.
Zamontowanie na zaworze mieszającym siłownika ARM ProClick i podłączenie go do regulatora BWC 310 umożliwia automatyczną zmianę temperatury zasilającej w zależności od temperatury zewnętrznej.
Zamontowane na zaworze mieszającym regulatora zintegrowanego z siłownikiem ACT ProClick lub ARC ProClick umożliwia automatyczną regulację temperatury zasilania stałotemperaturowo lub pogodowo.
Zastosowanie
Stosowany w instalacjach grzewczych.Montowany między źródłem ciepła a rozdzielaczem ogrzewania płaszczyznowego w szafce rozdzielacza.
Przygotowuje czynnik o odpowiedniej temperaturze i tłoczy go do pętli grzewczych rozdzielacza.
Zastosowanie
Stosowany w instalacjach grzewczych.Montowany między źródłem ciepła a rozdzielaczem ogrzewania płaszczyznowego w szafce rozdzielacza.
Przygotowuje czynnik o odpowiedniej temperaturze i tłoczy go do pętli grzewczych rozdzielacza.
Filmy
Dane techniczne
Rozmiar przyłącza pompy
1''




