Instalatorze, możesz zamówić kotły Vaillant ecoTEC pro za punkty PIK!
 

Kolano podłączeniowe PE do WC d110

Kod IK

19367.880.16.1

Kod EAN

4025416032847

Kod producenta

367.880.16.1

Marka

GEBERIT

Model

HDPE

Cena katalogowa netto

92 zł / szt.

Cena katalogowa brutto

113,16 zł / szt.

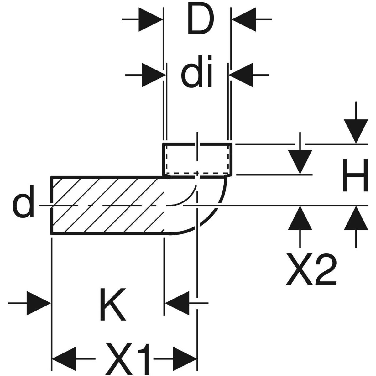
Dane techniczne

  • Materiał
    Brąz (CuSn5Zn5Pb2-C)

    Zastosowanie

    • Do gazów ziemnych
    • Do gazów płynnych
    • Do gazu ziemnego i gazów płynnych

    Właściwości

    • Wskaźnik zaciśnięcia
    • Połączenie szczelne dopiero po zaprasowaniu
    • Zaznaczono na żółto
    • Uszczelka z HNBR żółta
    • Mufa zaprasowywana z żółtą zaślepką ochronną

    Dane techniczne

    Kąt [°]

    88,5

    Liczba dodatkowych przyłączy

    0

    Średnica zewnętrzna rury połączenia 1 [mm]

    110

    Do pobrania

    Produkty polecane

    Zestaw wiszącej miski WC Geberit iCon, lejowa, ukryte mocowania, TurboFlush, z deską sedesową: T=53cm, Wolne opadanie=Tak, Zawiasy wypinane=Blokowane, Mocowanie=Od góry, Biały

    Wiszący Ceramiczna miska WC lejowa Bezkrawędziowa miska ustępowa z technologią spłukiwania TurboFlush Łatwe mocowanie dzięki systemowi Easy Fast Fixing (typ EFF3) Typ 1, pełna ilość 6 / 5 / 4 l, zgodne ze europejską normą EN 997 Zawiasy wypinane, blokowane Typ 2 wg EN 997 Spłukuje ilością 4 l Ukryte mocowania Deska sedesowa z duroplastu Pokrywa deski przykrywająca siedzisko Deska sedesowa z zawiasami EasyMount Do spłuczek podtynkowych Do zaworów spłukujących Materiał: Ceramika sanitarna Kolor główny: Biały Zawartość: Miska ustępowa Deska sedesowa Elementy mocujące

    2 048,10 zł / szt
    Stelaż podtynkowy Geberit Duofix do wiszących misek WC, 112 cm, ze spłuczką podtynkową Sigma 12 cm

    Seria 2025 Statyczna rama samonośna, zabezpieczona przed korozją powłoką malowaną proszkowo Rama do wiszących misek WC o wymiarach przyłączeniowych zgodnych z normą EN 33 i wysunięciu do 70 cm Z wysuwaną blachą do bocznego mocowania nad elementem na profilach metalowych lub drewnianych bądź na elementach konstrukcyjnych Geberit Duofix Alternatywna pozycja mocowania wspornika dystansowego Obrotowe stopy, odpowiednie do montażu w profilach U UW 50 i UW 75 Stopy można zamontować w szynie systemowej Geberit Duofix bez użycia narzędzi, bez dodatkowych komponentów Ocynkowane nogi montażowe, zabezpieczone przed korozją, antypoślizgowe Kolano przyłączeniowe z możliwością montażu na różnych głębokościach bez użycia narzędzi, zakres regulacji 45 mm Spłuczka podtynkowa Geberit Sigma 12 cm, z izolacją przeciwroszeniową Do uruchamiania z przodu, nadaje się do spłukiwania jednoilościowego, dwudzielnego i spłukiwania z funkcją "stop" W przypadku ustawień fabrycznych ponowne spłukiwanie możliwe natychmiast Prace montażowe i serwisowe przy spłuczce podtynkowej bez użycia narzędzi Przyłącze wody z tyłu lub na górze na środku Obudowa ochronna otworu rewizyjnego z możliwością skrócenia, chroni przed wilgocią i zabrudzeniami Z peszlem ochronnym do dopływu dla toalet myjących Geberit AquaClean i do przewodu przyłączeniowego Mocowanie przyłącza elektrycznego i Power & Connect Box Do metalowych i drewnianych ścianek konstrukcyjnych Do ścianek systemowych Geberit Duofix Do montażu w ściankach instalacyjnych o częściowej wysokości lub wysokości pomieszczenia Do montażu w ściankach działowych na wysokość pomieszczenia Do wysokości warstw podłogi 0–25 cm Do misek wiszących
    Materiał: Stal

    1 508 zł / szt
    Kolano Geberit Mapress Therm d42

    Niedozwolone w instalacjach wody pitnej
    Wskaźnik zaciśnięcia
    Połączenie szczelne dopiero po zaprasowaniu
    Uszczelka z CIIR czarna
    Do wody zimnej w układach klimatyzacji bez środka przeciw zamarzaniu
    Do wody zimnej w układach klimatyzacji ze środkiem przeciw zamarzani
    Do wody chłodzącej i grzewczej bez środka zapobiegającego zamarzaniu
    Do wody chłodzącej i grzewczej ze środkiem zapobiegającym zamarzaniu
    Do wody ciepłowniczej ≤ 120 °C
    Do tryskacza (mokro)
    Do sprężonego powietrza (klasa czystości oleju 0–3)
    Do podciśnienia
    Do gazów obojętnych (np. azot)
    Do techniki domowej i przemysłu
    Materiał: Stal nierdzewna

    139,80 zł / szt
    Geberit Selnova Comfort Wisząca miska WC, lejowa, B35.5cm, H34cm, T70cm, długa

    Wiszący Ceramiczna miska WC lejowa Z krawędzią Bez barier Typ 1, pełna ilość 6 / 4 l, wg EN 997 Typ 2 wg EN 997 Spłukuje ilością 4 l Długa miska Do spłuczek podtynkowych Do zaworów spłukujących Możliwość korzystania przez osoby poruszające się na wózkach inwalidzkich Materiał: Ceramika sanitarna Kolor główny: Biały Zawartość: Miska ustępowa

    816,40 zł / szt

    Szkolenia - GEBERIT

    24 kwietnia 2025 r., godz. 12:00

    pik