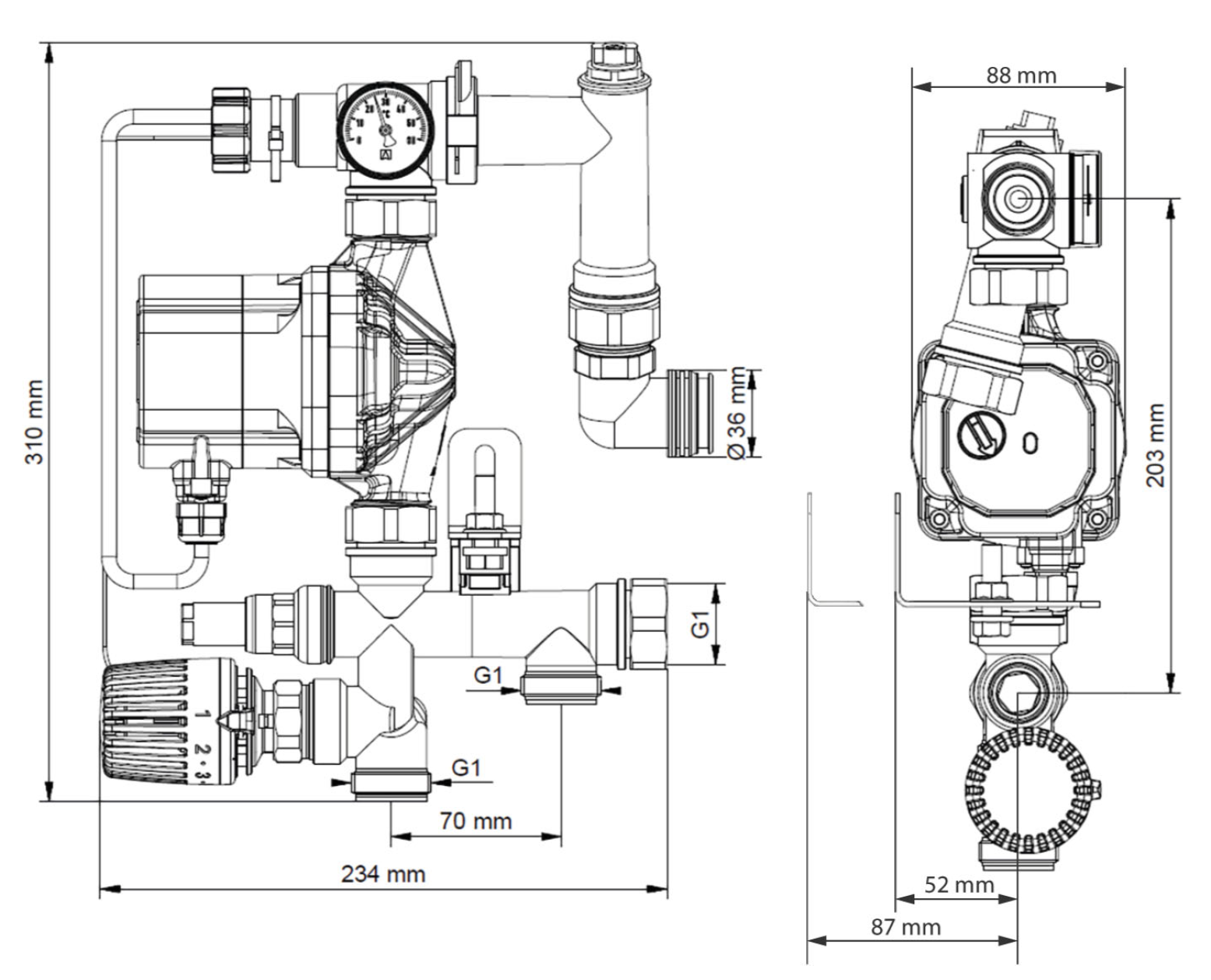
Grupa pompowa PrimoFloor CC K 130TP TK do rozdzielacza ProCalida CC 1
Zawór termostatyczny o współczynniku przepływu Kvs 4 m3/h.
Pompa obiegowa Taco ES2 C 15-60/130 mm.
Termometr na zasilaniu rozdzielacza umożliwia kontrolę temperatury medium i tym samym poprawność działania grupy pompowej..
Odpowietrznik ręczny ułatwia czynności konserwacyjne oraz odpowietrzanie instalacji.
Termostat bezpieczeństwa pompy chroni instalację płaszczyznową przed uszkodzeniem na skutek zbyt wysokiej temperatury medium.
Zastosowanie
Stosowany w instalacjach grzewczych i chłodzących.Montowany między źródłem ciepła / chłodu a rozdzielaczem ProCalida CC 1.
Przygotowuje czynnik o odpowiedniej temperaturze i tłoczy go do pętli grzewczych rozdzielacza.
Zastosowanie
Stosowany w instalacjach grzewczych i chłodzących.Montowany między źródłem ciepła / chłodu a rozdzielaczem ProCalida CC 1.
Przygotowuje czynnik o odpowiedniej temperaturze i tłoczy go do pętli grzewczych rozdzielacza.









